Product start page

Fire onboard a ship is among the most dangerous fire environments conceivable. Confined spaces, extreme heat and combustible materials multiply the complexity of the situation.An additional problem with fire on ships is that the location may be such that assistance from fire and rescue services is hard to get. The breathing protection available at the site has to serve different purposes; escape breathing devices are necessary for evacuation of staff members not directly involved in the fire extinguishing, and full SCBA/BA sets for the firefighters working on location.

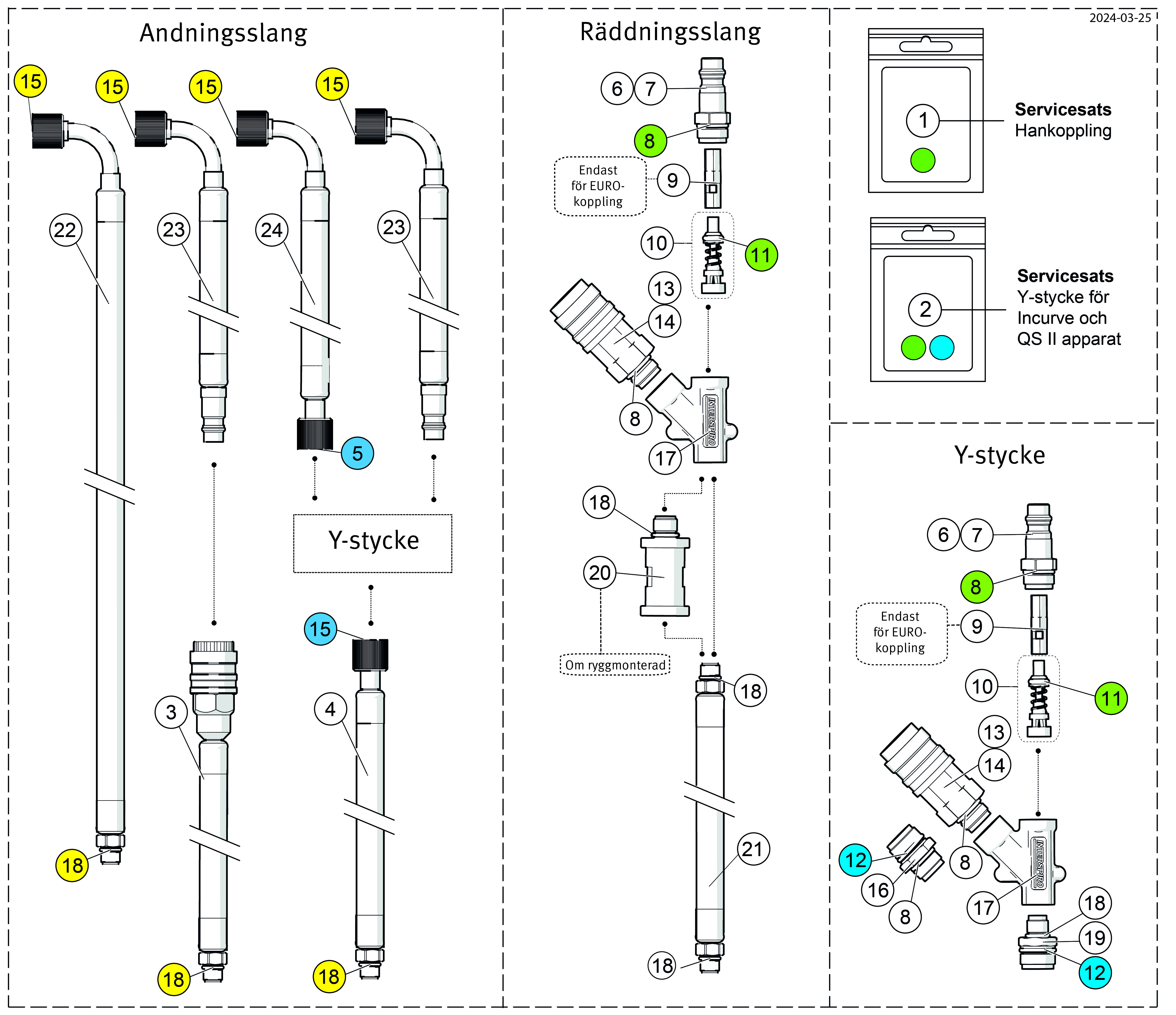
QS II

QS II har ett robust och ergonomiskt bärställ med många integrerade smarta funktioner.

Ett nära samarbete mellan brandmän och ergonomiska experter har varit avgörande i utvecklingen av QS II-bärstället. Den ergonomiska utformningen av alla komponenter och de många integrerade smarta funktionerna gör detta bärställ ytterst mångsidigt. Varje komponent är omsorgsfullt utvald för att säkerställa att bärstället är tillräckligt robust för att klara den extrema miljö den är avsedd för.

Bärstället kan enkelt anpassas till olika kroppsstorlekar med fyra olika storleksinställningar ("S", "M", "L", "XL"). Den valda storleken kan ses tydligt både fram och bak. Tack vare den praktiska utformningen kan storleksjusteringen göras med flaskan monterad och utan att behöva avlägsna apparaten från brandbilen.

Regulatorenheten har manometer, varningsvissla samt extra luftanslutning som tillval. Den hållbara regulatorn trycks på plats och har beprövad funktionalitet med hög flödeskapacitet som bibehåller säkerhetstrycket även vid extrem andningsfrekvens och låga flasktryck. Fasttryckningskonstruktionen underlättar service och reparationer och ger kort driftstopp.

  • Höftbältet och axelremmarna rör sig oberoende av varandra för maximal mobilitet
  • Ergonomiskt utformade axelremmar och höftbälte
  • Stort räddningshandtag – enkelt att ta tag i och dra ut rökdykaren om det behövs
  • Öppen ryggplatta för god ventilation och låg vikt
  • Lätthanterlig och justerbar flaskrem
  • Slanghållare som kan bytas ut sinsemellan
  • Flexibelt monteringssystem för tillbehör
  • Liten och lätt varningsvissla

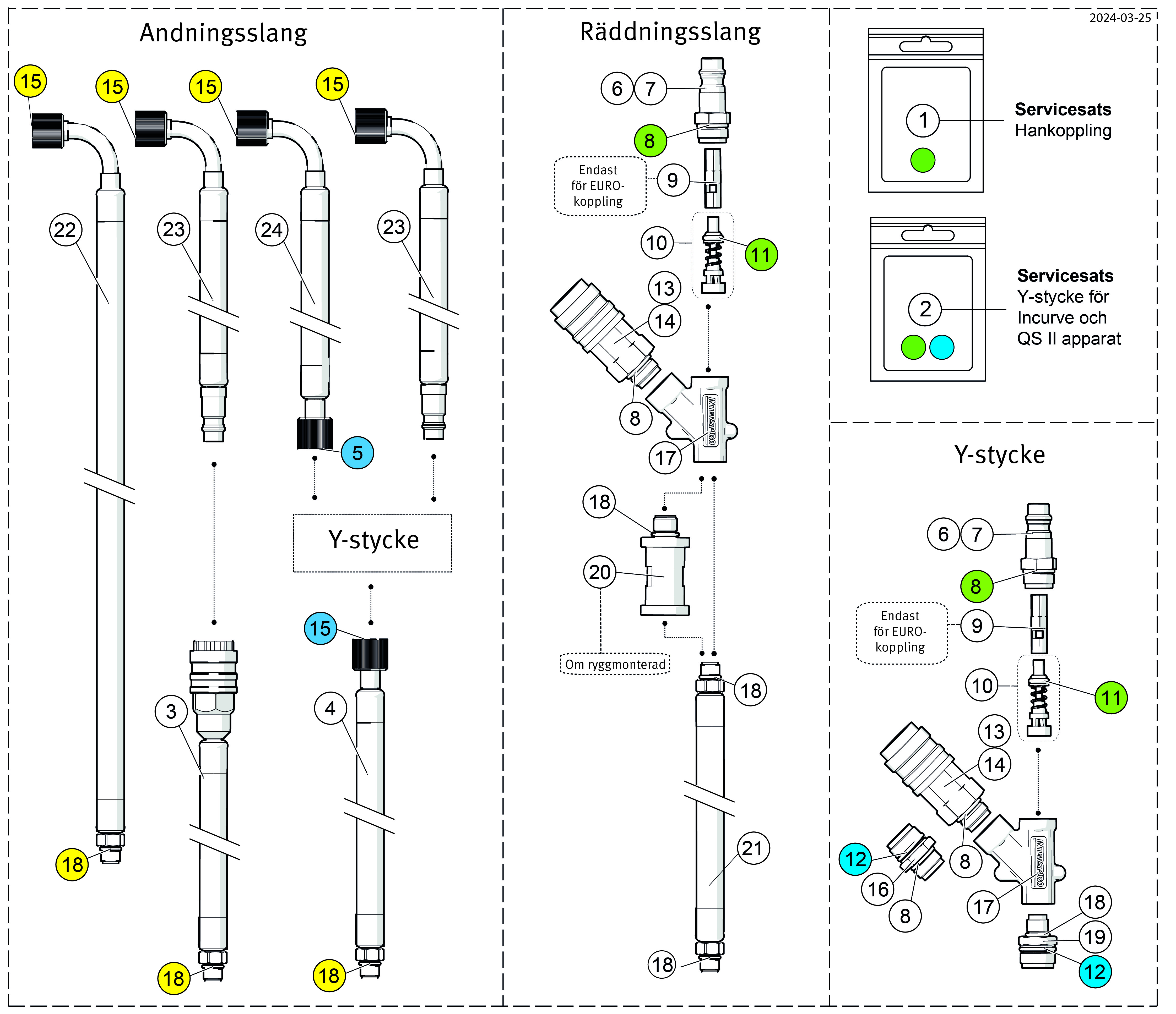
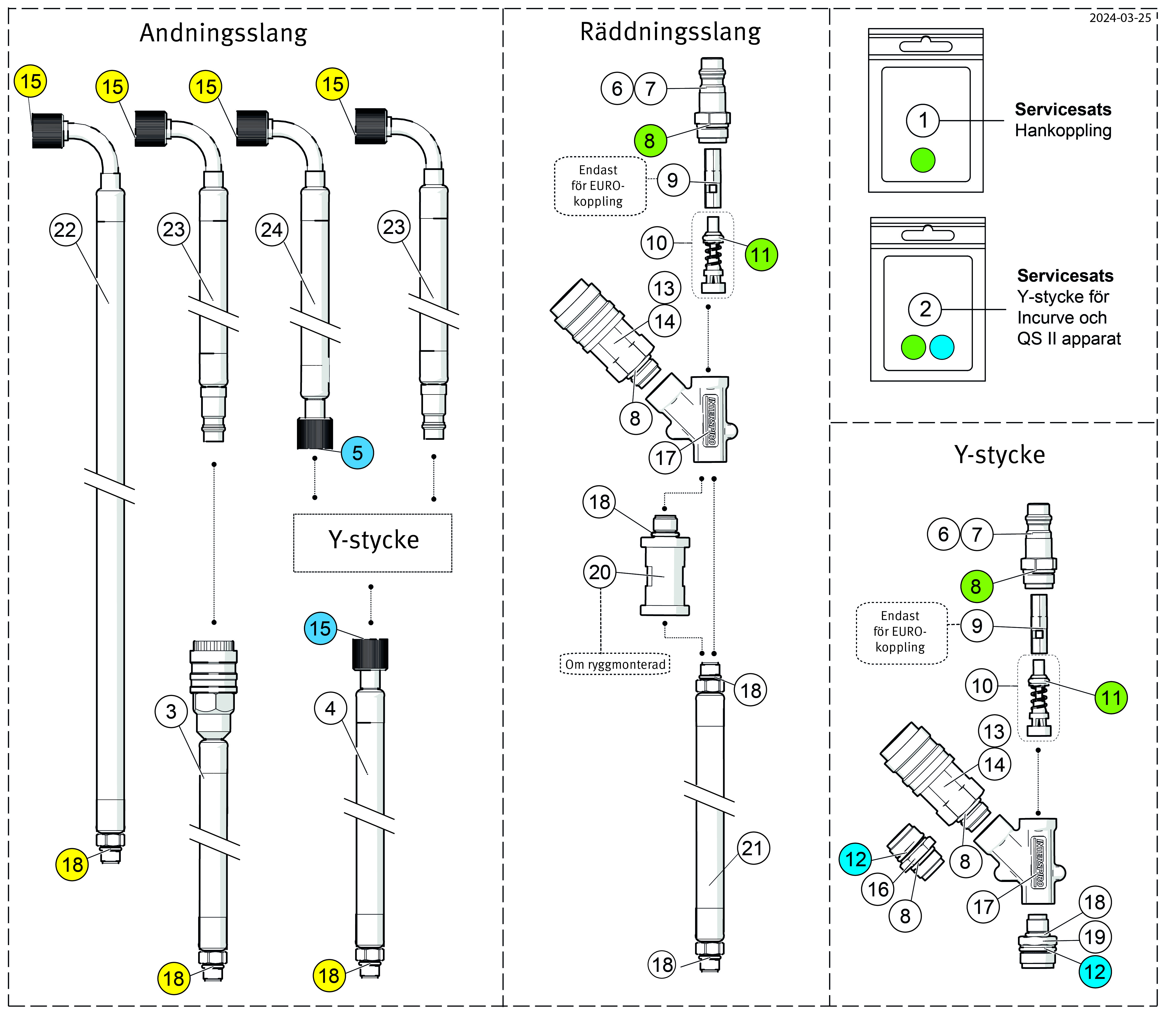
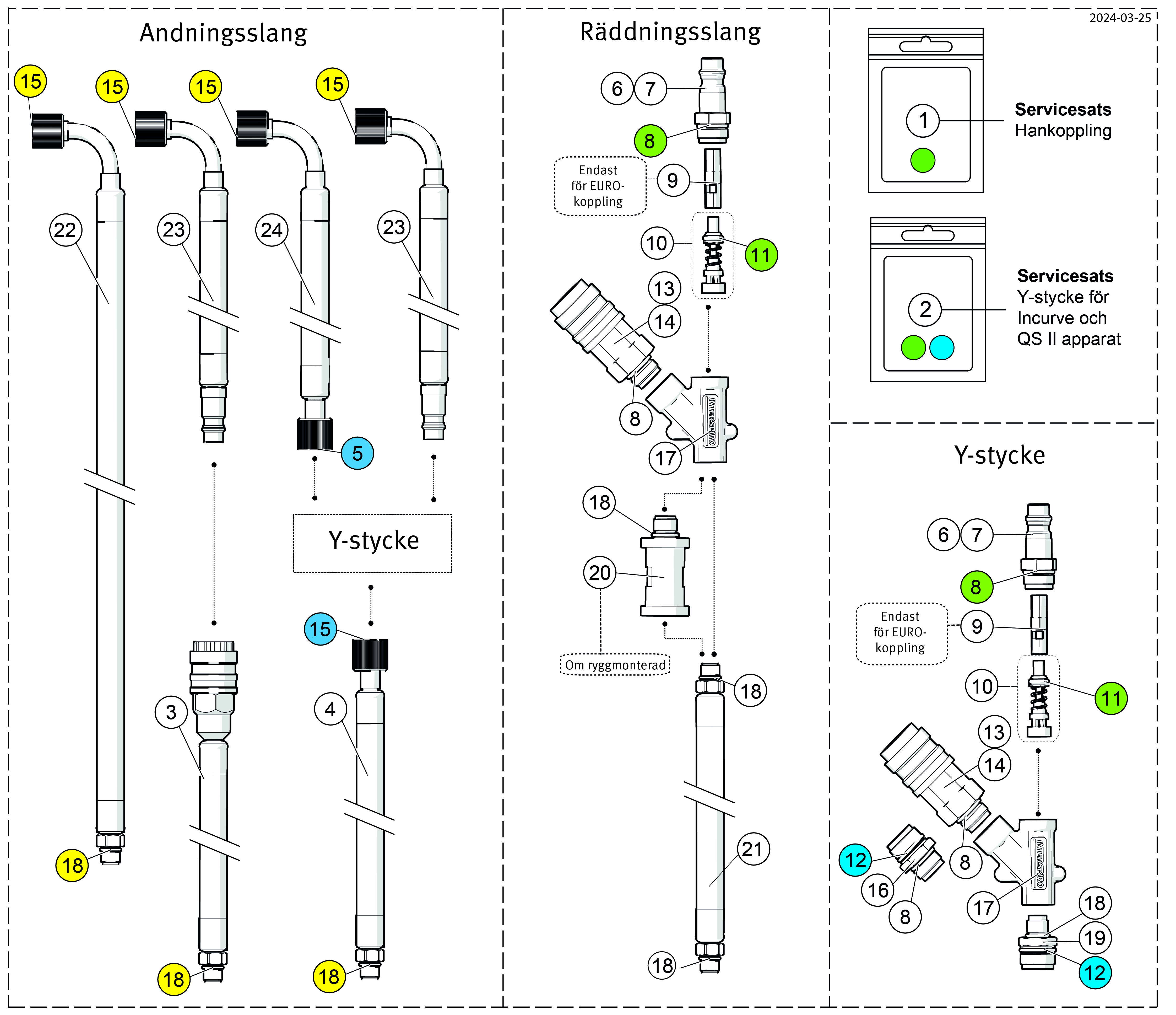
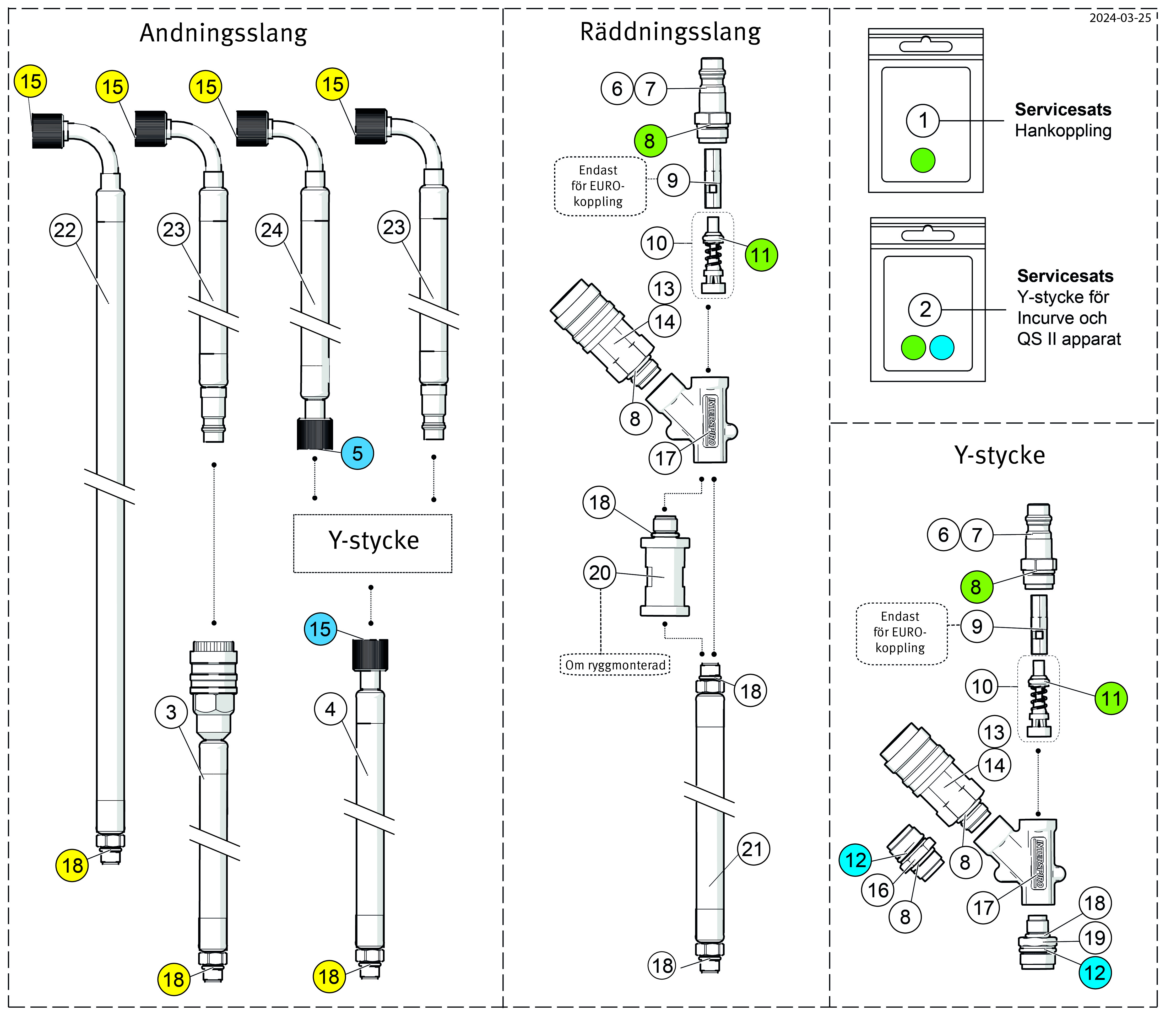
QS II SCBA kan kombineras med olika ansiktsmasker och andningsventiler, som beskrivs under "Rökdyk/Mask".

SCBA-versionerna exkluderar ansiktsmask, andningsventil och flaska.

Det finns versioner som har en snabbkoppling med integrerad flödesbegränsare mellan regulator och flaska.

Det finns versioner utan extra anslutningar ("Grundläggande konfiguration") eller med extra anslutningar för andningsslang och/eller extra luftanslutning för luftförsörjning.

Andningsapparaten QS II SCBA kan både användas med singelflaska eller flaskpaket. Se "Tillbehör" nedan för monteringssats för flaskpaket, T-rör för flaska och distans för flaska.

Ett tillval i form av en hållare för att parkera andningsventilen finns för vissa modeller av andningsventiler och är listade under "Tillbehör" nedan.

Flöde : 1350 l/min
Godkännande : PPE 2016/425
Godkännande (2) : Marine Equipment Directive 2014/90/EU
Anslutning : Flaska – EN144 / qc
Material : Värmebeständig polymer-ryggplatta
Material (2) : Remmar av Kevlar
Standard : EN137 Typ 2
Standard (2) : OSHA Assigned Protection Factor: 10000
Varning : Pneumatisk vissla
Vikt : ~3.4 kg (utan mask och ventil)
Godkännande (3) : PED Directive 2014/68/EU

Relaterade produkter

Klicka för att välja tagg

Logo Logo Logo Logo Logo

Godkänn cookies från den här webbplatsen

Denna webbplats använder cookies för att förbättra din upplevelse av webbplatsen. Genom att klicka på ”Godkänn” samtycker du till vår integritetspolicy och cookiepolicy.