Product start page

Fire onboard a ship is among the most dangerous fire environments conceivable. Confined spaces, extreme heat and combustible materials multiply the complexity of the situation.An additional problem with fire on ships is that the location may be such that assistance from fire and rescue services is hard to get. The breathing protection available at the site has to serve different purposes; escape breathing devices are necessary for evacuation of staff members not directly involved in the fire extinguishing, and full SCBA/BA sets for the firefighters working on location.

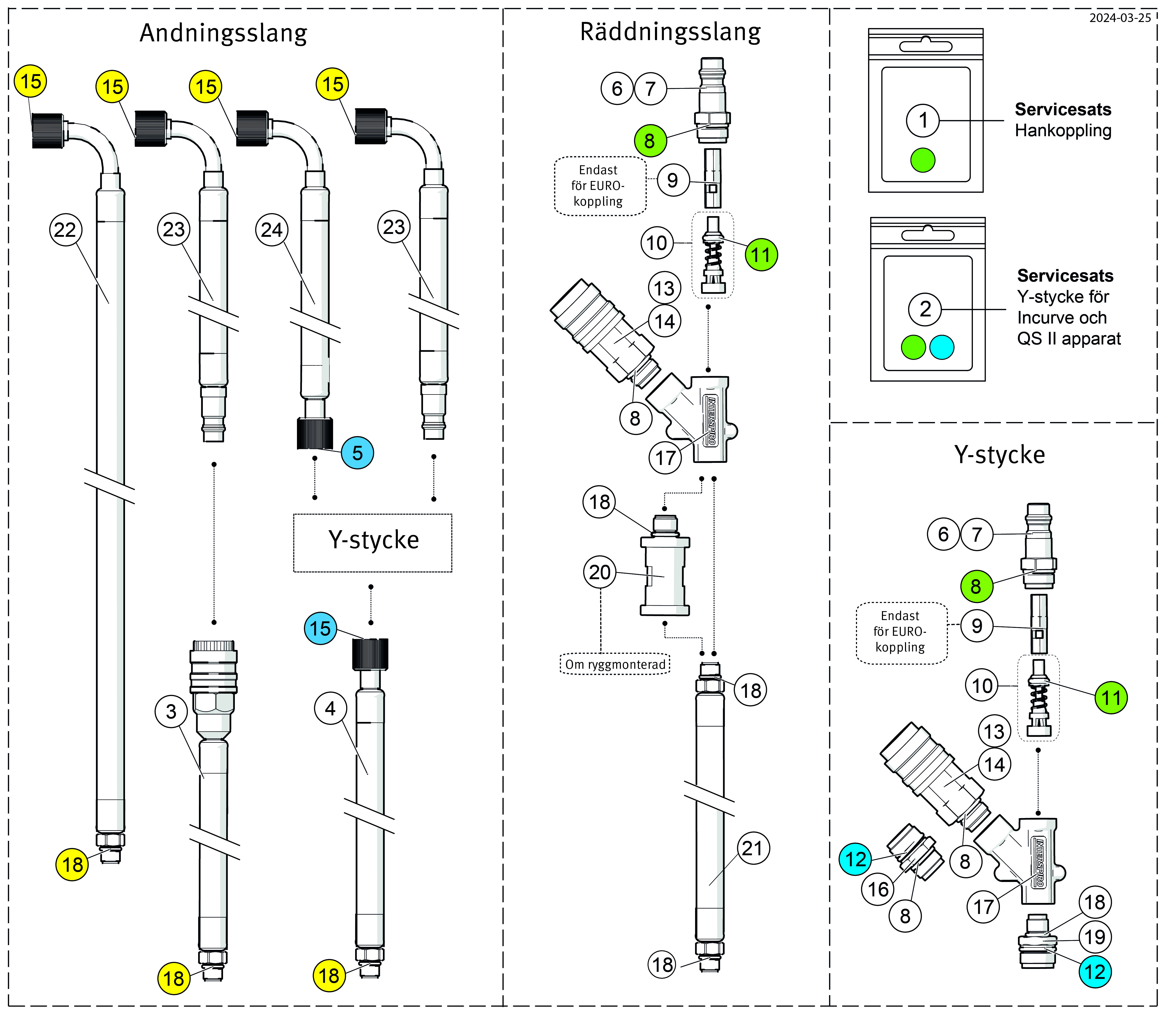
Incurve PAC andningsapparat utan mask, Interspiro hane + räddningsslang i ryggplattan

Incurve PAC andningsapparat utan mask, Interspiro hane + räddningsslang i ryggplattan

Artikelnummer : 35590-06QC

Incurve är en ny andningsapparat med unikt bärställ, lätt att rengöra, robust & lätt.

Incurve är en helt ny andningsapparat med ett unikt bärställ som tagits fram i samarbete med rökdykare – med varje liten detalj i åtanke. Incurve-bärstället har ett minimum av textildelar och är enkelt att rengöra, robust och har låg vikt – utan att kompromissa med komforten. Axelremmarna och höftbältet är gjorda av icke-textila material för att undvika kontaminering och är kroppsformade för att ge optimerad ergonomi.

Bärstället kan enkelt anpassas till olika kroppsstorlekar med fyra olika storleksinställningar ("S", "M", "L", "XL"). Den valda storleken kan tydligt ses från både framsidan och baksidan. Tack vare den praktiska utformningen kan storleksjusteringen göras med flaskan monterad och utan att behöva ta loss apparaten från fästet i brandbilen.

Regulatorenheten har manometer, varningsvissla samt en extra luftanslutning som tillval. Den hållbara regulatorn är av instickstyp och har beprövad funktionalitet med hög flödeskapacitet som bibehåller säkerhetstrycket även vid extrem andningsfrekvens och låga flasktryck. Instickskonstruktionen underlättar vid service och reparationer och ger korta driftstopp.

  • Höftbältet och axelremmarna rör sig oberoende av varandra för maximal rörlighet
  • Stort räddningshandtag – enkelt att ta tag i och dra ut rökdykaren om det behövs
  • Öppen ryggplatta för god ventilation och låg vikt
  • Lätthanterlig och justerbar flaskrem
  • Flera fästpunkter för tillbehör
  • Liten och lätt varningsvissla
  • Regulatorenheten har snabbfäste till ryggplattan

 

Incurve andningsapparat kan kombineras med olika modeller av masker och andningsventiler, som beskrivs under "Rökdyk" / "Mask".

Apparatversionerna exkluderar ansiktsmask, andningsventil och flaska.

Det finns versioner som har en snabbkoppling med integrerad flödesbegränsare mellan regulator och flaska.

Det finns versioner utan extra anslutningar eller med extra anslutning på andningsslangen och/eller extra luftanslutning för luftförsörjning.

Andningsapparaten Incurve kan både användas med enkelflaska och dubbla flaskor. Se "Tillbehör" nedan för monteringssats för dubbla flaskor, T-stycke och distanskloss.

Ett tillval i form av en hållare för att parkera andningsventilen när den inte är ansluten till masken finns för vissa modeller av andningsventiler och är listade under "Tillbehör" nedan.

Flöde : 1350 l/min
Godkännande : PPE 2016/425
Anslutning : Cylinder - EN 144 / QC
Material : Heat resistent polymer backplate
Material (2) : Kevlar webbing
Standard : EN137 Type 2
Varning : Pneumatic whistle
Vikt : ~ 3.6 kg (excl. mask & breathing valve)

Relaterade produkter

Klicka för att välja tagg

Logo Logo Logo Logo Logo

Godkänn cookies från den här webbplatsen

Denna webbplats använder cookies för att förbättra din upplevelse av webbplatsen. Genom att klicka på ”Godkänn” samtycker du till vår integritetspolicy och cookiepolicy.