Reservdelslista

 








Incurve



2025 november

LÄS FÖRE ANVÄNDNING


1. Endast innehavare av giltigt Interspiro Servicecertifikat får utföra
    service och reparation av Interspiro andningsutrustning. Obehörig
    service kan medföra felfunktion och därmed allvarliga personskador
    och dödsfall.


2. Vid användning av reservdelslistorna ska utrustningens Servicemanual
    alltid konsulteras rörande förfarande och hantering av reservdelar
    samt funktion.


3. Ändringar kan företas i detta dokument när som helst utan förvarning
    om de är nödvändiga på grund av typografiska fel, felaktigheter i
    informationen eller beroende på förbättringar eller förändringar av
    utrustningen. 
Använd alltid Interspiros hemsida för att få tillgång till
    den senaste versionen. 


4. Beskrivningen anger om reservdelen är ett flerpack, exempelvis 
    "10 x 336100437" anger att det är ett flerpack som består av 10 st 
    av den enskilda komponenten 336100437. Den enskilda
    komponentens artikelnummer 336100437 kan inte beställas,
    det användas bara för att märka delar som ingår i servicesatser. 


5.  Servicesatserna innehåller utbytesdelar för förebyggande underhåll.

     
6.  Använd alltid Interspiros hemsida för att hålla dig uppdaterad 
     om produkter och dokumentation samt för annan viktig information. 


Reservdelar Plug-in regulator






Reservdelar Plug-in regulator
Position Artikelnummer Beskrivning
1
460200045
Servicesats flaskanslutning med snabbkoppling
2
460190711
Servicesats flaskanslutning
3
460200046
Servicesats samlingsstycke, flasksnabbkoppling
4
460190321
Servicesats samlingsstycke
5
460190322
Servicesats insticksregulator
6
32532-51
Manometerskydd
7
460190381
Manometer med packningssats
8
336190159
Packningssats, 1 x 335100368 & 1 x 335100369
9
31365-51
Plomberingsetikett, vissla 10-pack
10
34850-51
Varningsvissla, 55 bar Ersätter 31030-51
11
460190192
Stödbricka och O-ring, 5-pack (5 x 98568-01 & 012027-01)
12
96529-51
Högtrycksslang 920 mm
13
336190312
O-ring, 10 x 336900105
14
336890105
O-ring, 10 x 336900183
15
460190059
Filter, hållare & O-ring, 10-pack
16
346190643
Inloppsfilter, 10-pack (10 x 212100014)
17
346190644
Inloppsfilter, 100-pack (100 x 212100014)
18
460200114
O-ring, 10 x OR22,0X1,0-Q60
19
336190437
O-ring, 10 x 336900182
20
30569-51
Regulatordel, flasksnabbkoppling
21
336190232
O-ring, 10 x 336900044
22
30130-51
Fjäder, 5 x 30130-01
23
30130-52
Fjäder, lång, 5 x 30130-02
24
98520-51
Ratt
25
460190383
Anslutningsnippel

Reservdelar Plug-in regulator
Position Artikelnummer Beskrivning
26
460190384
Anslutningsnippel lång
27
460190382
Tätningsnippel
28
336190272
O-ring, 10 x 331100767
29
460190237
O-ring, 100 x 331100767
30
460190141
Tryckregulator, reservdel
31
96317-51
Insticksregulator, 3 utgångar
32
460190387
Säkerhetsventil
33
346190053
Skyddsband, 10-pack (10 x 346100066)
34
336190311
O-ring, 10 x 944610206
35
88193-56
Regulatorlock Ersätter 460190389
36
88193-54
Regulatorlock 3-ports 1/8 parallell + back
37
346190022
O-ring, 10 x 346900002
38
460190386
Kolv
39
346190026
Fjäder, 5 x 346100005
40
346190024
O-ring, 10 x 346900004
41
460190201
Skyddsband, 5 x 95472
42
460190198
O-ring & stödring, 10-pack (10 x 346900001 & 95471-01)
43
460190199
O-ring & stödring, 50-pack (50 x 346900001 & 95471-01)
44
346190023
Ventilsätessats
45
460190388
Justerskruv, 5 x 346100009
46
346190295
Plomberingsetikett 25-pack
47
346190293
Låsring, 10-pack (10 x 346100158)
48
346190294
Skyddskåpa, 10 x 346100159
49
35588-51
Högtrycksslang för PAC, 920 mm
50
35588-52
Högtrycksslang för PAC, 970 mm

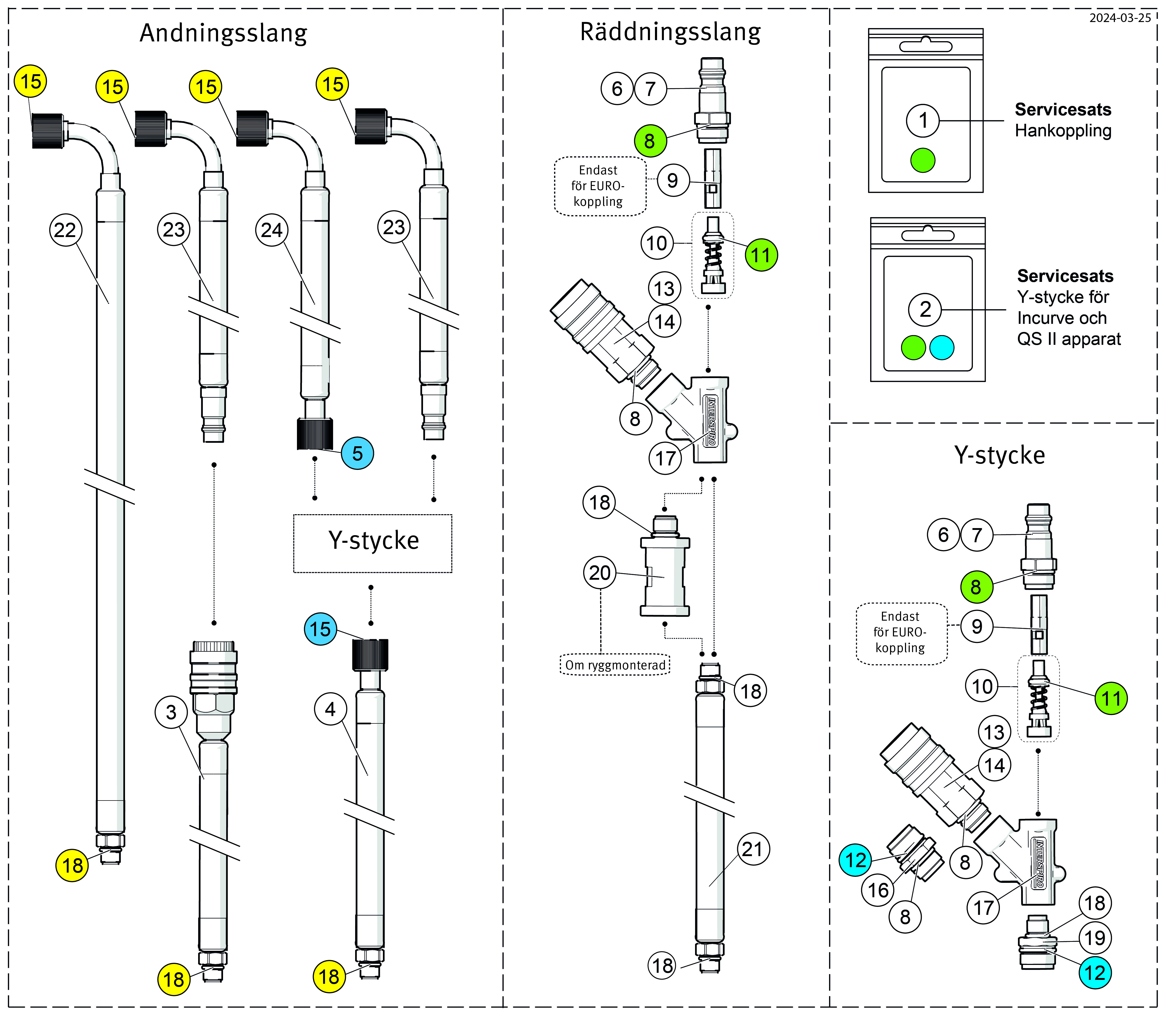
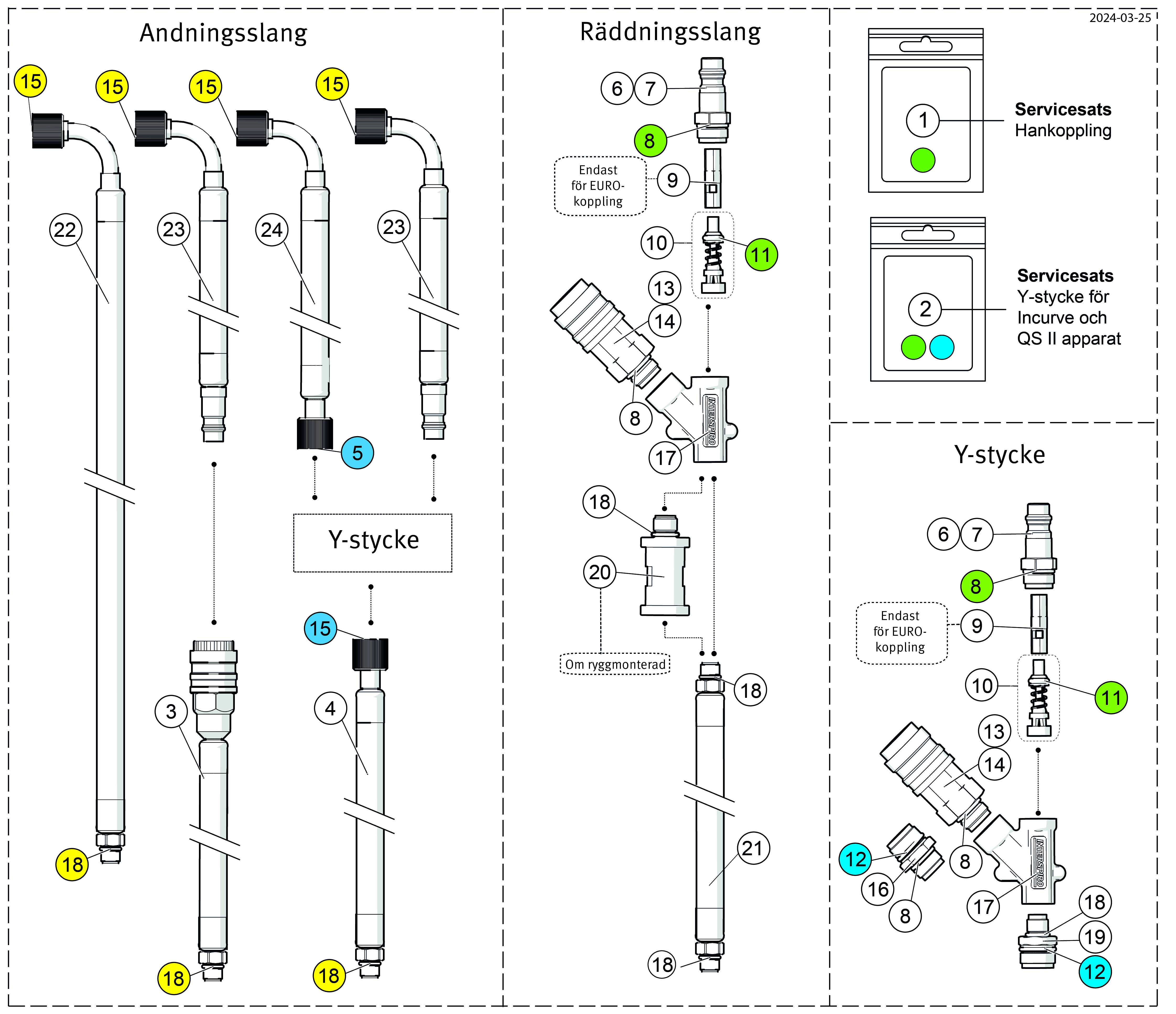
Reservdelar Mellantrycksslangar






Reservdelar Mellantrycksslangar
Position Artikelnummer Beskrivning
1
460200153
Servicesats extraluftenhet, hane
2
460190414
Servicesats Y-stycke, QS II & Incurve och T-stycke, Spiromatic 90U
3
460190361
Matarslang 0,82 m, Ersätter 346190143
4
460190363
Matarslang, 0.82 M
5
336190236
O-ring, 10 x 944610205
6
460190370
Snabbkoppl. hane Euro
7
96531-51
Snabbkoppling, Interspiro, hane Ersätter 460190485
8
346190069
O-ring, 12.1x1.6, 10 x 944610210
9
460190371
Ventilrör Ersätter 346100097
10
346190223
Backventil
11
460190369
Kona med O-ring
12
336190228
O-ring, 12.42x1.78, NBR, 10 x 336900007
13
95244-51
Snabbkoppling Euro-hona
14
95803-51
Snabbkoppling, Interspiro, hona
15
336190237
O-ring, 10 x 336900099
16
95898-51
Nippel
17
31006-52
Extra luftsaml.stycke
18
336190311
O-ring, 10 x 944610206
19
95557-51
Nippel
20
99368-51
Adapter
21
460190041
Mellantryckslang för Y-stycke
22
460190236
Andningsslang L = 1,35 m
23
460190362
Andningsslang, Euro-hane, 0.55 M
24
460190364
Andningsslang, överfallsmutter, L=0.55 m

Reservdelar PAC






Reservdelar PAC
Position Artikelnummer Beskrivning
1
35059-51
Slangfäste
2
31081-51
O-ring, 10 x 31081-01
3
35084-51
Kåpa för slangfäste
4
99744-851
Skruv med gänglåsning, 10 x 99744-801
5
98814-53
Batterier AAA, 10-pack
6
460200190
O-ring, 10-pack
7
35460-51
Batteripaket (utan batterier)
8
35067-51
Aktiveringsnyckel
9
34677-51
Tvättplugg för PAC batterifack

Reservdelar Incurve bärställ






Reservdelar Incurve bärställ
Position Artikelnummer Beskrivning
1
31346-61
Flaskrem med spänne, Incruve
2
460190101
Flaskstöd 10-pack
3
31343-51
Flaskremsspänne
4
460190645
Slanghållare, räddningsslang, 3-pack
5
30574-51
Klämma för Slanghållare
6
33411-51
Regulator låspinne
7
460200108
Snabbfäste regulator
8
99799-55
Låsmutter M5, 10-pack (10 x 99799-05)
9
31314-51
Fäste
10
99709-51
Skruv, 10 x 99709-01
11
99709-52
Skruv, 10 x 99709-02
12
460200112
Komplett axelparti
13
33466-51
Fäste för ryggplatta, 2 x 33466-01
14
99711-52
Skruv, 10 x 99711-02
15
460200113
Spänne
16
33457-51
Hållare för högtrycksslang, 3-pack
17
33457-52
Hållare för andningsslang, 3-pack
18
33620-51
Hållare för räddningsslang, axelmonterad, 3-pack
19
31310-52
Incurve Höftbälte utan remmar och midjespänne
20
33460-51
Höftbältesförstyvare
21
33461-51
Hållare för väska
22
31325-52
Justeringsrem axel, 2-pack
23
31326-51
Justeringsrem, höft, QS II, 2 x 31326-01
24
31302-51
Midjespänne, hona
25
31303-51
Midjespänne, hane

Reservdelar Incurve bärställ
Position Artikelnummer Beskrivning
26
33464-51
Handtag, Incurve
27
31311-51
Ryggplatta

Godkänn cookies från den här webbplatsen

Denna webbplats använder cookies för att förbättra din upplevelse av webbplatsen. Genom att klicka på ”Godkänn” samtycker du till vår integritetspolicy och cookiepolicy.