 
                | 
                                    Incurve
                                 | 
| 2025 oktober | 
1. Endast innehavare av giltigt Interspiro Servicecertifikat får utföra
    service och reparation av Interspiro andningsutrustning. Obehörig
    service kan medföra felfunktion och därmed allvarliga personskador
    och dödsfall.
2. Vid användning av reservdelslistorna ska utrustningens Servicemanual
    alltid konsulteras rörande förfarande och hantering av reservdelar
    samt funktion.
3. Ändringar kan företas i detta dokument när som helst utan förvarning
    om de är nödvändiga på grund av typografiska fel, felaktigheter i
    informationen eller beroende på förbättringar eller förändringar av
    utrustningen. Använd alltid Interspiros hemsida för att få tillgång till
    den senaste versionen. 
4. Beskrivningen anger om reservdelen är ett flerpack, exempelvis 
    "10 x 336100437" anger att det är ett flerpack som består av 10 st 
    av den enskilda komponenten 336100437. Den enskilda
    komponentens artikelnummer 336100437 kan inte beställas,
    det användas bara för att märka delar som ingår i servicesatser. 
5.  Servicesatserna innehåller utbytesdelar för förebyggande underhåll.
     
6.  Använd alltid Interspiros hemsida för att hålla dig uppdaterad 
     om produkter och dokumentation samt för annan viktig information. 
 
                    | Position | Artikelnummer | Beskrivning | 
| 1 |  460200045 | 
                                    Servicesats flaskanslutning med snabbkoppling 
                                 | 
| 2 |  460190711 | 
                                    Servicesats flaskanslutning 
                                 | 
| 3 |  460200046 | 
                                    Servicesats samlingsstycke, flasksnabbkoppling 
                                 | 
| 4 |  460190321 | 
                                    Servicesats samlingsstycke 
                                 | 
| 5 |  460190322 | 
                                    Servicesats insticksregulator 
                                 | 
| 6 |  32532-51 | 
                                    Manometerskydd 
                                 | 
| 7 |  460190381 | 
                                    Manometer med packningssats 
                                 | 
| 8 |  336190159 | 
                                    Packningssats, 1 x 335100368 & 1 x 335100369 
                                 | 
| 9 |  31365-51 | 
                                    Plomberingsetikett, vissla 10-pack
                                 | 
| 10 |  34850-51 | 
                                    Varningsvissla, 55 bar Ersätter 31030-51
                                 | 
| 11 |  460190192 | 
                                    Stödbricka och O-ring,  5-pack (5 x 98568-01 & 012027-01)
                                 | 
| 12 |  96529-51 | 
                                    Högtrycksslang 920 mm 
                                 | 
| 13 |  336190312 | 
                                    O-ring, 10 x 336900105 
                                 | 
| 14 |  336890105 | 
                                    O-ring, 10 x 336900183 
                                 | 
| 15 |  460190059 | 
                                    Filter, hållare & O-ring, 10-pack 
                                 | 
| 16 |  346190643 | 
                                    Inloppsfilter, 10-pack (10 x 212100014)
                                 | 
| 17 |  346190644 | 
                                    Inloppsfilter, 100-pack (100 x 212100014)
                                 | 
| 18 |  460200114 | 
                                    O-ring, 10 x OR22,0X1,0-Q60 
                                 | 
| 19 |  336190437 | 
                                    O-ring, 10 x 336900182 
                                 | 
| 20 |  30569-51 | 
                                    Regulatordel, flasksnabbkoppling 
                                 | 
| 21 |  336190232 | 
                                    O-ring, 10 x 336900044 
                                 | 
| 22 |  30130-51 | 
                                    Fjäder, 5 x 30130-01 
                                 | 
| 23 |  30130-52 | 
                                    Fjäder, lång, 5 x 30130-02 
                                 | 
| 24 |  98520-51 | 
                                    Ratt 
                                 | 
| 25 |  460190383 | 
                                    Anslutningsnippel 
                                 | 
| Position | Artikelnummer | Beskrivning | 
| 26 |  460190384 | 
                                    Anslutningsnippel lång 
                                 | 
| 27 |  460190382 | 
                                    Tätningsnippel 
                                 | 
| 28 |  336190272 | 
                                    O-ring, 10 x 331100767 
                                 | 
| 29 |  460190237 | 
                                    O-ring, 100 x 331100767 
                                 | 
| 30 |  460190141 | 
                                    Tryckregulator, reservdel 
                                 | 
| 31 |  96317-51 | 
                                    Insticksregulator, 3 utgångar 
                                 | 
| 32 |  460190387 | 
                                    Säkerhetsventil 
                                 | 
| 33 |  346190053 | 
                                    Skyddsband, 10-pack (10 x 346100066)
                                 | 
| 34 |  336190311 | 
                                    O-ring, 10 x 944610206 
                                 | 
| 35 |  88193-56 | 
                                    Regulatorlock Ersätter 460190389
                                 | 
| 36 |  88193-54 | 
                                    Regulatorlock 3-ports 1/8 parallell + back
                                 | 
| 37 |  346190022 | 
                                    O-ring, 10 x 346900002 
                                 | 
| 38 |  460190386 | 
                                    Kolv 
                                 | 
| 39 |  346190026 | 
                                    Fjäder, 5 x 346100005 
                                 | 
| 40 |  346190024 | 
                                    O-ring, 10 x 346900004 
                                 | 
| 41 |  460190201 | 
                                    Skyddsband, 5 x 95472 
                                 | 
| 42 |  460190198 | 
                                    O-ring & stödring, 10-pack (10 x 346900001 & 95471-01)
                                 | 
| 43 |  460190199 | 
                                    O-ring & stödring, 50-pack (50 x 346900001 & 95471-01)
                                 | 
| 44 |  346190023 | 
                                    Ventilsätessats 
                                 | 
| 45 |  460190388 | 
                                    Justerskruv, 5 x 346100009 
                                 | 
| 46 |  346190295 | 
                                    Plomberingsetikett 25-pack 
                                 | 
| 47 |  346190293 | 
                                    Låsring, 10-pack (10 x 346100158)
                                 | 
| 48 |  346190294 | 
                                    Skyddskåpa, 10 x 346100159 
                                 | 
| 49 |  35588-51 | 
                                    Högtrycksslang för PAC, 920 mm 
                                 | 
| 50 |  35588-52 | 
                                    Högtrycksslang för PAC, 970 mm 
                                 | 
 
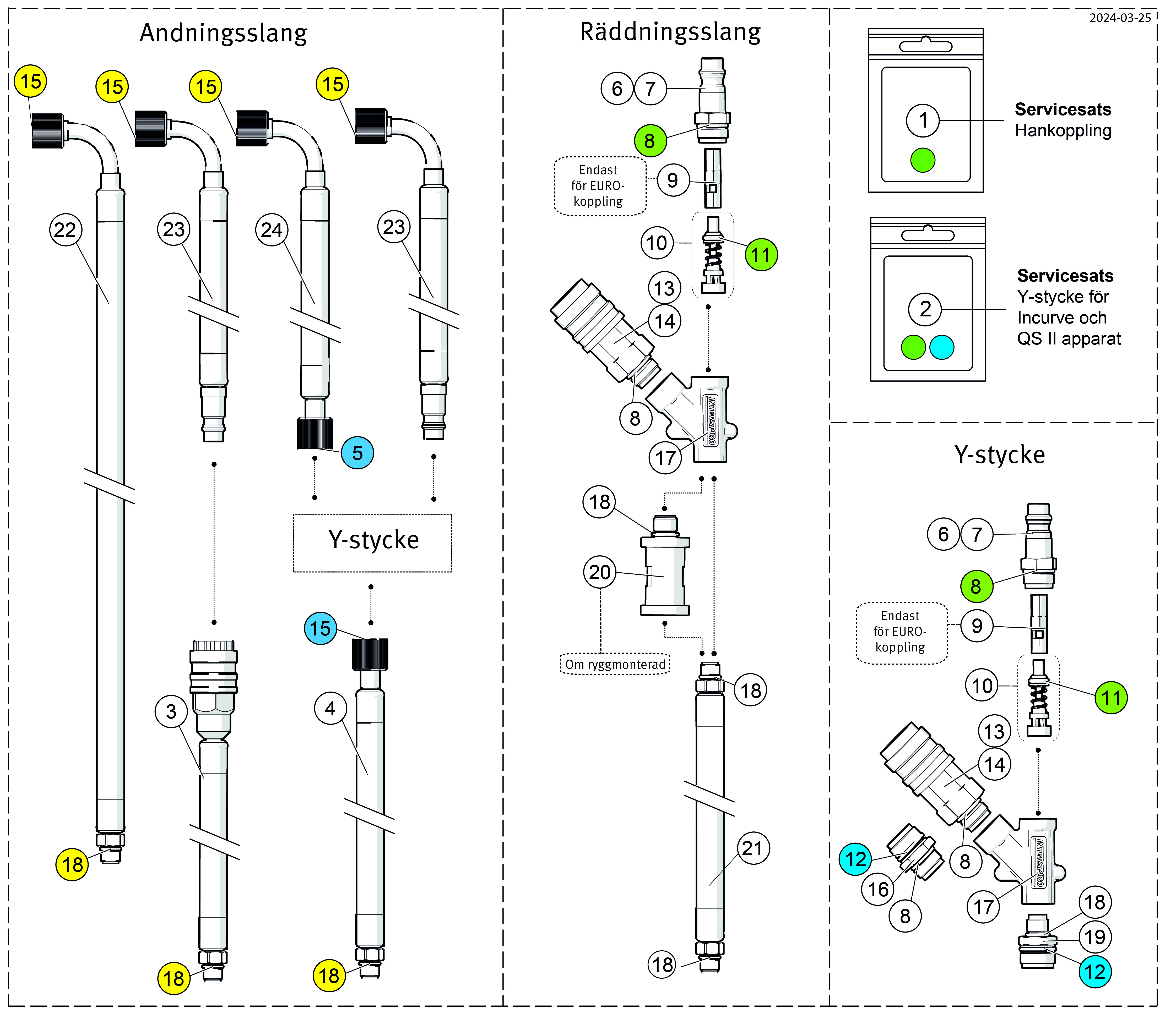
                    | Position | Artikelnummer | Beskrivning | 
| 1 |  460200153 | 
                                    Servicesats extraluftenhet, hane 
                                 | 
| 2 |  460190414 | 
                                    Servicesats Y-stycke, QS II & Incurve och T-stycke, Spiromatic 90U
                                 | 
| 3 |  460190361 | 
                                    Matarslang 0,82 m, Ersätter 346190143
                                 | 
| 4 |  460190363 | 
                                    Matarslang, 0.82 M 
                                 | 
| 5 |  336190236 | 
                                    O-ring, 10 x 944610205 
                                 | 
| 6 |  460190370 | 
                                    Snabbkoppl. hane Euro 
                                 | 
| 7 |  96531-51 | 
                                    Snabbkoppling, Interspiro, hane Ersätter 460190485
                                 | 
| 8 |  346190069 | 
                                    O-ring, 12.1x1.6, 10 x 944610210 
                                 | 
| 9 |  460190371 | 
                                    Ventilrör Ersätter 346100097
                                 | 
| 10 |  346190223 | 
                                    Backventil 
                                 | 
| 11 |  460190369 | 
                                    Kona med O-ring 
                                 | 
| 12 |  336190228 | 
                                    O-ring, 12.42x1.78, NBR, 10 x 336900007 
                                 | 
| 13 |  95244-51 | 
                                    Snabbkoppling Euro-hona 
                                 | 
| 14 |  95803-51 | 
                                    Snabbkoppling, Interspiro, hona 
                                 | 
| 15 |  336190237 | 
                                    O-ring, 10 x 336900099 
                                 | 
| 16 |  95898-51 | 
                                    Nippel 
                                 | 
| 17 |  31006-52 | 
                                    Extra luftsaml.stycke 
                                 | 
| 18 |  336190311 | 
                                    O-ring, 10 x 944610206 
                                 | 
| 19 |  95557-51 | 
                                    Nippel 
                                 | 
| 20 |  99368-51 | 
                                    Adapter 
                                 | 
| 21 |  460190041 | 
                                    Mellantryckslang för Y-stycke 
                                 | 
| 22 |  460190236 | 
                                    Andningsslang L = 1,35 m 
                                 | 
| 23 |  460190362 | 
                                    Andningsslang, Euro-hane, 0.55 M 
                                 | 
| 24 |  460190364 | 
                                    Andningsslang, överfallsmutter, L=0.55 m 
                                 | 
 
                    | Position | Artikelnummer | Beskrivning | 
| 1 |  35059-51 | 
                                    Slangfäste 
                                 | 
| 2 |  31081-51 | 
                                    O-ring, 10 x 31081-01 
                                 | 
| 3 |  35084-51 | 
                                    Kåpa för slangfäste 
                                 | 
| 4 |  99744-851 | 
                                    Skruv med gänglåsning, 10 x 99744-801 
                                 | 
| 5 |  98814-53 | 
                                    Batterier AAA, 10-pack 
                                 | 
| 6 |  460200190 | 
                                    O-ring, 10-pack 
                                 | 
| 7 |  35460-51 | 
                                    Batteripaket (utan batterier) 
                                 | 
| 8 |  35067-51 | 
                                    Aktiveringsnyckel 
                                 | 
| 9 |  34677-51 | 
                                    Tvättplugg för PAC batterifack 
                                 | 
 
                    | Position | Artikelnummer | Beskrivning | 
| 1 |  31346-61 | 
                                    Flaskrem med spänne, Incruve 
                                 | 
| 2 |  460190101 | 
                                    Flaskstöd 10-pack 
                                 | 
| 3 |  31343-51 | 
                                    Flaskremsspänne 
                                 | 
| 4 |  460190645 | 
                                    Slanghållare, räddningsslang, 3-pack 
                                 | 
| 5 |  30574-51 | 
                                    Klämma för Slanghållare 
                                 | 
| 6 |  33411-51 | 
                                    Regulator låspinne 
                                 | 
| 7 |  460200108 | 
                                    Snabbfäste regulator 
                                 | 
| 8 |  99799-55 | 
                                    Låsmutter M5, 10-pack (10 x 99799-05)
                                 | 
| 9 |  31314-51 | 
                                    Fäste 
                                 | 
| 10 |  99709-51 | 
                                    Skruv, 10 x 99709-01 
                                 | 
| 11 |  99709-52 | 
                                    Skruv, 10 x 99709-02 
                                 | 
| 12 |  460200112 | 
                                    Komplett axelparti 
                                 | 
| 13 |  33466-51 | 
                                    Fäste för ryggplatta, 2 x 33466-01 
                                 | 
| 14 |  99711-52 | 
                                    Skruv, 10 x 99711-02 
                                 | 
| 15 |  460200113 | 
                                    Spänne 
                                 | 
| 16 |  33457-51 | 
                                    Hållare för högtrycksslang, 3-pack 
                                 | 
| 17 |  33457-52 | 
                                    Hållare för andningsslang, 3-pack 
                                 | 
| 18 |  33620-51 | 
                                    Hållare för räddningsslang, axelmonterad, 3-pack 
                                 | 
| 19 |  31310-52 | 
                                    Incurve Höftbälte utan remmar och midjespänne
                                 | 
| 20 |  33460-51 | 
                                    Höftbältesförstyvare 
                                 | 
| 21 |  33461-51 | 
                                    Hållare för väska 
                                 | 
| 22 |  31325-52 | 
                                    Justeringsrem axel, 2-pack 
                                 | 
| 23 |  31326-51 | 
                                    Justeringsrem, höft, QS II, 2 x 31326-01 
                                 | 
| 24 |  31302-51 | 
                                    Midjespänne, hona 
                                 | 
| 25 |  31303-51 | 
                                    Midjespänne, hane 
                                 | 
| Position | Artikelnummer | Beskrivning | 
| 26 |  33464-51 | 
                                    Handtag, Incurve 
                                 | 
| 27 |  31311-51 | 
                                    Ryggplatta 
                                 |